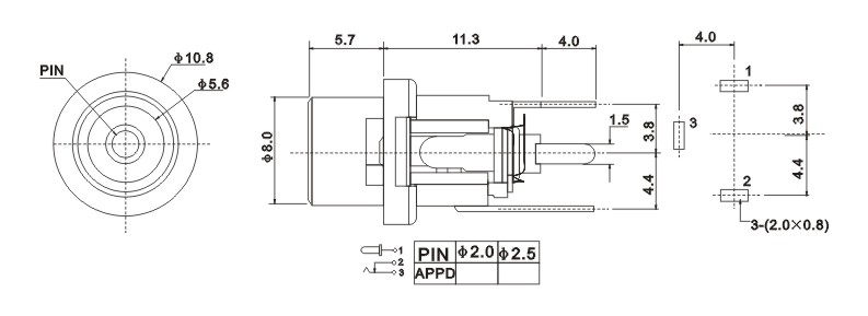
DC-026

鐢e搧鎻忚堪

鎶€鏈寚鏍囷細(xì)
| 浣跨敤娓╁害鑼冨洿 | -20-70鈩 | 鑰愬帇 | AC500V(50Hz)/min |
| 棰濆畾璐熻嵎 | DC 30V 0.5A-2.0A | 鍔ㄤ綔鍔 | 3~20N |
| 鎺ヨЕ鐢?shù)闃?/p> | ≤0.05Ω | 瀵垮懡 | 5000嬈 |
| 緇濈紭鐢?shù)闃?/p> | ≥100MΩ |
|
|

關(guān)注官方微信