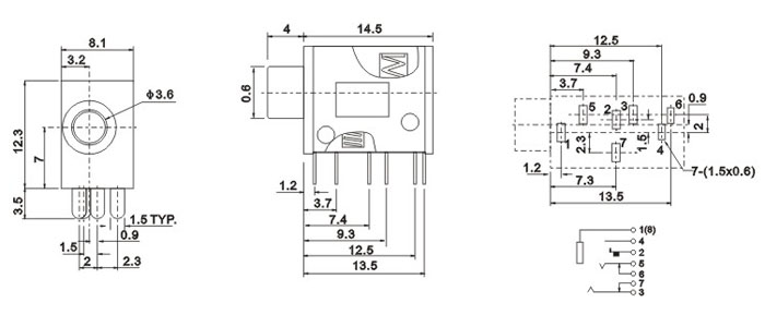
PJ-375C

鐢e搧鎻忚堪
鎶€鏈寚鏍囷細
| 浣跨敤娓╁害鑼冨洿 | -20-70鈩 | 鑰愬帇 | AC250V(50Hz)/min |
| 棰濆畾璐熻嵎 | DC 30V 0.5A | 鍔ㄤ綔鍔 | 3~20N |
| 鎺ヨЕ鐢甸樆 | ≤0.05Ω | 瀵垮懡 | 5000嬈 |
| 緇濈紭鐢甸樆 | ≥100MΩ |
|

關注官方微信